
Sight Flow

Especificaciones:
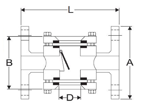
1.Cuerpo:SUS304, SUS316, PVC, PP
2.Ver:Tubo de vidrio
3.Max.Presión:30 kg/cm²
4.Rango de temperatura: 0~250°C
5.Junta:Teflon, Viton, asbesto, neopreno
6.Conexión: 3/8"~8 "Brida JIS, ANSI

Aplicación
Sistema de proceso químico, sistema de tratamiento de agua, sistema de flujo industrial.El indicador de mirilla de flujo fue diseñado para facilitar la observación del flujo de fluido desde el arriba o hacia abajo del pino.
Características:
1.Robustez
2.Dimensión exacta
3.Acabado transparente
4.Larga vida útil
5.Bajo coste de mantenimiento
Nuestra experiencia en el campo nos ha permitido llegar a una gran variedad de Mirilla que se utiliza para controlar el nivel y el flujo de líquido en depósitos y tuberías.Ofrecemos dos tipos de vidrio para presiones de alto y bajo nivel, respectivamente,.Vista completa mirilla se utiliza para la aplicación de proceso de baja presión y doble ventana para la aplicación de proceso de alta presión.Tanto el visor proporciona una visión perfecta de ver líquida.Hemos permitido a nosotros mismos para ofrecer visor personalizado para nuestros clientes valorados de acuerdo a sus exigencias.Ofrecemos puerta-intensificar la entrega en el tiempo estipulado.
- Inicio -> Productos -> Controlador de flujo : FC-600
- Inicio -> Productos -> Paddle Wheel Flow Meter : PWFM
- Inicio -> Productos -> Paddle interruptor de flujo : DFB
- Inicio -> Productos -> Paddle Tipo de interruptor de flujo : DFS
- Inicio -> Productos -> Interruptores de flujo de paleta : DFA
- Inicio -> Productos -> Interruptores de flujo tipo paleta : DFX
- Inicio -> Productos -> Medidor de Flujo Digital : DFM
- Inicio -> Productos -> Interruptores de flujo : FSX
- Inicio -> Productos -> Interruptor de flujo de agua : FSX
- Inicio -> Productos -> Flujo Mirilla : FGA
- Inicio -> Productos -> Sight Flow : FGB
















