專門製造,供應和出口視流,工廠位於Taiwan。客戶的滿意度由產品的質量和我們的承諾決定。我們一向專注於製造高品質產品,按時交貨並提供優質的售後服務。我們具有創新精神,配備最先進的生產檢測設備來製造各類產品。歡迎來自全球的批發商,分銷商,採購商,代理商和產品OEM/ODM來函來電垂詢。

視流

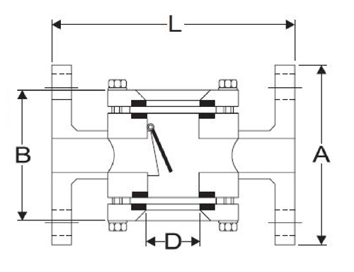
產品規格:
1。身體:SUS304,SUS316,PVC,PP
2。視圖:玻璃管
3。最大.壓力:30公斤/cm²
4。溫度範圍: 0~250°C
5。墊片:氟橡膠,聚四氟乙烯,石棉橡膠,氯丁橡膠
6。連接: 3/8"~8“法蘭JIS,ANSI

應用
化學處理系統,水處理系統,工業流體系統.流量視鏡計的設計,便於觀察液體流動的向上或向下的松樹。
特點:
1。魯棒性
2。精確的尺寸
3。無縫完成
4。使用壽命長
5。維護成本低
我們的專業領域知識,使我們能夠想出多種視鏡,用來監視容器和管道中液體的液位和流量.我們提供兩種不同類型的玻璃,分別為高和低的水平壓力.全管窺玻璃用於低壓力高壓力過程中的應用過程中的應用和雙窗口.看液體的視線玻璃給人完美的視覺.我們已經啟用了自己,我們尊貴的食客根據自己的需求提供量身定制的視線玻璃.我們提供門-步驟在規定的時間內交付。
產品展示 產品列表
- 首頁 -> 產品展示 -> 流量控制器 : FC-600
- 首頁 -> 產品展示 -> 槳輪流量計 : PWFM
- 首頁 -> 產品展示 -> 靶式流量開關 : DFB
- 首頁 -> 產品展示 -> 槳式流量開關 : DFS
- 首頁 -> 產品展示 -> 靶式流量開關 : DFA
- 首頁 -> 產品展示 -> 槳式流量開關 : DFX
- 首頁 -> 產品展示 -> 數字流量計 : DFM
- 首頁 -> 產品展示 -> 流量開關 : FSX
- 首頁 -> 產品展示 -> 水流量開關 : FSX
- 首頁 -> 產品展示 -> 視流玻璃 : FGA
- 首頁 -> 產品展示 -> 視流 : FGB
我們的專業知識保證我們優質的
















