DiWi Enterprise Co.,Ltd специализируется в производстве, поставке и экспорте Цифровой манометр, с фабрикой в Taiwan. Удовлетворение клиентов состоит из качества и обязательства. Мы посвящаем свои силы на разработку высококачественный продукты обеспечиваем своевременную доставку и внимательные послепродажные обслуживания.Наш новаторский дух позволяет нам продвигаться вперед наших конкурентов путем предоставления широкого диапазона продукты. Приветствуем запросы от глобальных оптовиков, дистрибьюторов, покупателей, агентов и OEM/ODM.

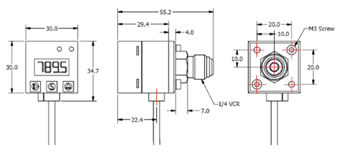
Цифровой манометр


Применения:
1.Технологический контроль
2.Гидравлика и пневматические
3.Управления компрессором
4.Чиллеры
5.Холодильное оборудование
Особенность:
1.Цифровой индикатор
2.100% Регулируемой уставки и зоны нечувствительности
3.Твердотельные состоянии
4,4-20 мА моделей
5.Захватывает и показывает MAX/Крайностей MIN процесса
6.Постоянно хранит HI/LO крайности
Дознание теперь +Дознание теперь -
Продукция список
- Главная страница -> Продукция -> Погружной датчик давления : DW-Y02
- Главная страница -> Продукция -> Преобразователь давления : GP41/40
- Главная страница -> Продукция -> Датчики давления : DP-500
- Главная страница -> Продукция -> Цифровое реле давления : DP42
- Главная страница -> Продукция -> Цифровой манометр : MS-SA/SB
Наш опыт дает нам возможность гарантировать высокий класс
















