We are a technical Taiwan Digital Pressure Gauge manufacturer, factory, supplier and exporter. Depending on stable investment, superior competence and good after-sale service, we have made us as one of the leading manufacturers and exporters in the industry. We promise quality products and competitive price and on-time delivery for you. We have been establishing long-term business with our customers. If you are interested in any model of our products, please be free to contact us.

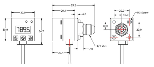
Digital Pressure Gauge


Applications:
1.Process control
2.Hydraulics & Pneumatic
3.Compressor Control
4.Chillers
5.Refrigeration Equipment
Feature:
1.Digital display
2.100% adjustable set point and deadband
3.All solid state design
4.4-20 mA output models available
5.Captures and displays MAX/MIN process extremes
6.Continuously stores HI/LO extremes
Products List
- Home -> Products -> Submersible Pressure Sensor : DW-Y02
- Home -> Products -> Pressure Transmitter : GP41/40
- Home -> Products -> Pressure Transmitters : DP-500
- Home -> Products -> Digital Pressure Switch : DP42
- Home -> Products -> Digital Pressure Gauge : MS-SA/SB
Our expertise has enable us to ensure finest
















