Biz teknik bir Taiwan Küçük Şamandıra Anahtarı üreticisi, fabrika, tedarikçi ve ihracatçı .Bağlı olarak istikrarlı yatırım , üstün yeterlilik ve iyi satış sonrası hizmet sektöründe önde gelen üretici ve ihracatçılarından biri olarak bize yaptık . Biz kaliteli ürün ve rekabetçi fiyat ve zamanında teslimat sizin için söz veriyorum. Biz müşterilerimiz ile uzun vadeli iş kurmak olmuştur. Eğer ürünlerimizden herhangi modeli ilgilenen varsa , lütfen bize ulaşın contact us.

Küçük Şamandıra Anahtarı

1.Güç anahtarlama:70W
2.Anahtarlama Vlots:150 VDC
3.Anahtarlama Akımı:0.5Amper
4.Maksimum.Basınç:4 kg/cm²
5.S.G Float: 0.9 g/cm³
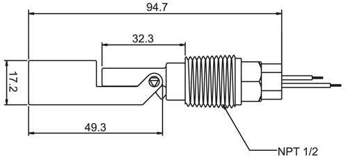
6.Sıcaklık Aralığı:-20~120°C
7.Boyutu Float: ø17.2x49.3
8.Malzeme:PVDF
9.Bağlantı Konu:NPT 1/2
Şamandıra anahtarları son derece kompakt basit ve herhangi bir küçük alanı yüklemek kolaydır.Bu anahtarlar elektriksel girişim etkilenmez.Şamandıra doğru malzeme müşteri tarafından seçilirse Onlar kimyasallar, yüksek sıcaklık ve basınç için dayanabilir.
Bir SPST röle çıkışı ile seviye anahtarı.Genel amaçlı Mini-seviye anahtarları bir temiz su ve kimyasal çözümleri güvenilir sıvı seviye tespit sağlamak yüzer0.5Amp kamış anahtar çıktı.Ortam örnekleri, su ve sülfürik asit,.Polipropilen veya PVDF sıvı seviye sensörleri yüksek düzeyde alarm veya düşük seviyede alarm olarak tankın içine yatay monte edilmiştir.
Şimdi Sorgulama +Şimdi Sorgulama -
Ürünler Liste
- Ev -> Ürünler -> Kablo Şamandıra : FS Series
- Ev -> Ürünler -> Kablo Float Seviye Şalteri : DF Series
- Ev -> Ürünler -> Paslanmaz Çelik Şamandıra Anahtarı : D-HYZ-47
- Ev -> Ürünler -> Paslanmaz Çelik Float Anahtarları : D-HYZS-47
- Ev -> Ürünler -> Mini Şamandıra seviye anahtarı : D-HYZT-47
- Ev -> Ürünler -> Mini Float Seviye Anahtarları : D-LS-85
- Ev -> Ürünler -> Seviye Şalteri Float : D-YZ-5
- Ev -> Ürünler -> Seviye Anahtarları Float : D-S1A28
- Ev -> Ürünler -> Tip Seviye Şalteri Float : D-S2A28
- Ev -> Ürünler -> Tip Seviye Anahtarları Float : D-YZP-38
- Ev -> Ürünler -> Yüzer Seviye Şalteri : D-YZP-86
- Ev -> Ürünler -> Küçük Şamandıra Anahtarı : D-YZP-95
- Ev -> Ürünler -> Şamandıralı Vana : PFV-100
- Ev -> Ürünler -> Plastik Float Vana : PFV-200
- Ev -> Ürünler -> Mekanik Float Vana : Mechanical Float Valve
- Ev -> Ürünler -> Su Float Vana : DFV-06S
- Ev -> Ürünler -> Su Seviyesi Float Vana : DFV-06L
Başarının sırrı, müşterileri ile ilgili iş ahlakına bağlı kalarak bizim yönetim politikası olmuştur. Biz zamanında teslim sizi temin ederim en iyi
















