เราเป็นทางด้านเทคนิค Taiwan สวิทช์ลอยขนาดเล็ก ผู้ผลิตโรงงานผู้ผลิตและส่งออก ทั้งนี้ขึ้นอยู่กับการลงทุนที่มั่นคงความสามารถที่เหนือกว่าและบริการหลังการขายที่ดีเราได้ทำให้เราเป็นหนึ่งในผู้ผลิตชั้นนำและส่งออกในอุตสาหกรรม เราสัญญาว่าผลิตภัณฑ์ที่มีคุณภาพและราคาที่แข่งขันและการส่งมอบตรงเวลาสำหรับคุณ เราได้รับการจัดตั้งธุรกิจในระยะยาวกับลูกค้าของเรา หากคุณสนใจในรูปแบบของผลิตภัณฑ์ของเราใด ๆ โปรดเป็นอิสระในการ ติดต่อเรา.

สวิทช์ลอยขนาดเล็ก

1การเปลี่ยนพลังงาน:70W
2Vlots Switching:150 VDC
3สลับเปลี่ยน:0.5แอมป์
4แม็กซ์.ความดัน:4 กิโลกรัม/cm²
5ลอย S.G: 0.9 g/cm³
6ขอบเขตอุณหภูมิ:-20~120°C
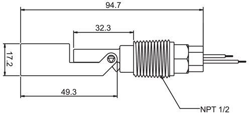
7ลอยขนาด: ø17.2x49.3
8วัสดุ:PVDF
9หัวข้อการเชื่อมต่อ:NPT 1/2
สวิทช์ลอยเป็นอย่างยิ่งที่มีขนาดกะทัดรัดง่ายและง่ายต่อการติดตั้งในพื้นที่เล็ก ๆ.สวิทช์เหล่านี้ไม่ได้รับผลกระทบจากการรบกวนทางไฟฟ้า.พวกเขาสามารถทนต่อสารเคมีที่มีอุณหภูมิสูงและความกดดันถ้าวัสดุที่ถูกต้องของสวิทช์ลอยจะถูกเลือกโดยลูกค้า
สวิทช์ระดับเอาท์พุทรีเลย์หนึ่ง SPST.มินิวัตถุประสงค์ทั่วไป-สวิทช์ระดับลอยให้ตรวจสอบระดับของเหลวที่เชื่อถือได้ของการแก้ปัญหาน้ำและสารเคมีทำความสะอาดด้วย0.5แอมป์เอาท์พุทเปลี่ยนกก.ตัวอย่างสื่อประกอบด้วยน้ำและกรดซัลฟูริก.โพรพิลีนหรือ PVDF เซ็นเซอร์ระดับของเหลวจะติดตั้งในแนวนอนในถังเป็นสัญญาณเตือนภัยระดับสูงหรือการเตือนภัยในระดับต่ำ
สอบถามข้อมูลในตอนนี้ +สอบถามข้อมูลในตอนนี้ -
ผลิตภัณฑ์ รายการ
- บ้าน -> ผลิตภัณฑ์ -> สวิทช์โฟเคเบิ้ล : FS Series
- บ้าน -> ผลิตภัณฑ์ -> เคเบิ้ลสวิทช์ระดับลอย : DF Series
- บ้าน -> ผลิตภัณฑ์ -> สแตนเลสสตีลสวิทช์ลอย : D-HYZ-47
- บ้าน -> ผลิตภัณฑ์ -> สวิทช์ลอยสแตนเลส : D-HYZS-47
- บ้าน -> ผลิตภัณฑ์ -> โฟมินิสวิทช์ระดับ : D-HYZT-47
- บ้าน -> ผลิตภัณฑ์ -> สวิทช์ระดับลอยมินิ : D-LS-85
- บ้าน -> ผลิตภัณฑ์ -> ลอยเปลี่ยนระดับ : D-YZ-5
- บ้าน -> ผลิตภัณฑ์ -> สวิทช์ระดับลอย : D-S1A28
- บ้าน -> ผลิตภัณฑ์ -> ลอยเปลี่ยนระดับประเภท : D-S2A28
- บ้าน -> ผลิตภัณฑ์ -> ลอยสวิทช์ระดับประเภท : D-YZP-38
- บ้าน -> ผลิตภัณฑ์ -> สวิทช์ระดับลอย : D-YZP-86
- บ้าน -> ผลิตภัณฑ์ -> สวิทช์ลอยขนาดเล็ก : D-YZP-95
- บ้าน -> ผลิตภัณฑ์ -> วาล์วลูกบอลลอย : PFV-100
- บ้าน -> ผลิตภัณฑ์ -> วาล์วลอยพลาสติก : PFV-200
- บ้าน -> ผลิตภัณฑ์ -> วาล์วลอยเครื่องกล : Mechanical Float Valve
- บ้าน -> ผลิตภัณฑ์ -> วาล์วลอยน้ำ : DFV-06S
- บ้าน -> ผลิตภัณฑ์ -> น้ำวาล์วลอยระดับ : DFV-06L
ความเชี่ยวชาญของเราได้ช่วยให้เราเพื่อให้แน่ใจว่าดีที่สุด
















