專門製造,供應和出口槳式流量開關,工廠位於Taiwan。客戶的滿意度由產品的質量和我們的承諾決定。我們一向專注於製造高品質產品,按時交貨並提供優質的售後服務。我們具有創新精神,配備最先進的生產檢測設備來製造各類產品。歡迎來自全球的批發商,分銷商,採購商,代理商和產品OEM/ODM來函來電垂詢。

槳式流量開關

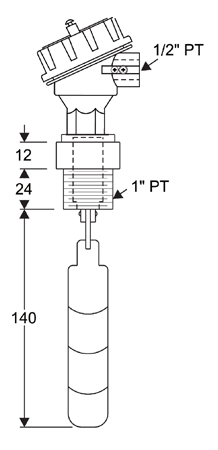
產品規格:
1。工程:ATEX EX-證明
2。連接螺紋:1“PT
3。開關電流:250VAC/DC 60W/VA
4。最大.壓力:25千克/cm²
5。聯繫輸出:SPDT
6。溫度範圍:-20~120°C
7。槳材料:SUS301
靶式流量開關,非常適合在工藝應用其中,流動方向和所需的驅動集點所需要的控制和經營動態.這些監測流量/無流量狀況,並提供不同的槳片長度.槳片長度的修剪便於在所需的流速開關致動.在設定的極限流量條件下得到致動的簧片開關可以被用來開啟/關閉進料線過程中需要利用這些流量開關。
1。也知道作為插入式流量開關
2。易於安裝在現有的管道
3.1““不擴散核武器條約”8“NPT管道尺寸
4。可調設置點
5。不銹鋼和聚四氟乙烯浸濕部件
產品展示 產品列表
- 首頁 -> 產品展示 -> 流量控制器 : FC-600
- 首頁 -> 產品展示 -> 槳輪流量計 : PWFM
- 首頁 -> 產品展示 -> 靶式流量開關 : DFB
- 首頁 -> 產品展示 -> 槳式流量開關 : DFS
- 首頁 -> 產品展示 -> 靶式流量開關 : DFA
- 首頁 -> 產品展示 -> 槳式流量開關 : DFX
- 首頁 -> 產品展示 -> 數字流量計 : DFM
- 首頁 -> 產品展示 -> 流量開關 : FSX
- 首頁 -> 產品展示 -> 水流量開關 : FSX
- 首頁 -> 產品展示 -> 視流玻璃 : FGA
- 首頁 -> 產品展示 -> 視流 : FGB
我們的專業知識保證我們優質的
















