
Capteur de niveau d'eau

Caractéristiques:
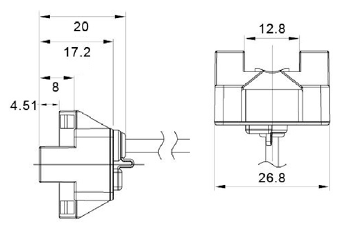
1.Distance de détection: 6~13mm, tube 1mm d'épaisseur.Matériau du tube:PEP, PFA.
2.Tension de fonctionnement:12~24VDC (±10%),5%(p-p) max.ondulation
3.Fréquence de réponse:600 Hz.
4.Courant de charge:DC 30V 200mA Max.
5.Voyant de sortie:LED
6.Consommation:80mA Max.
7.Classe de protection:IP65
8.Temp d'opération.:-10~55℃
9.Matériau du boîtier:Polycarbonate
10.la longueur du câble de connexion:1M
Caractéristique:
1.Idéal pour la détection de niveaux de liquides
2.Convient à toutes les 6-à 13-mm-diamètre du tuyau transparent
3.Adapté pour une épaisseur de paroi maximale de 1 mm
4.12à la tension d'alimentation 24 VDC
5.Facile à installer cravate-enveloppement et d'un tube en caoutchouc
6.Du boîtier IP65
Intègre un sélecteur de sensibilité, construit-dans l'amplificateur, et un sélecteur de mode de fonctionnement.Attachez-enveloppement et d'un tube en caoutchouc fournis pour éviter tout dérapage.Convient à toutes les 6-à 13-diamètre mm transparent ou semi-tuyau transparent avec une épaisseur de paroi de 1 mm.Bâti-amplificateur avec sortie NPN économise de l'espace et de câblage effort.La taille compacte est idéale pour la miniaturisation des équipements.Utilise un talc-câble libre qui est idéal pour l'équipement utilisé pour la fabrication de
Semi-conducteurs
Détecter liquide, plastique, puce de silicone, de la poudre...etc...La distance détectée varie le long de près avec la propriété de facteurs tels que l'ion électrique (coefficient conducteur électrique ou un coefficient de non conductrice électrique), la teneur en eau, le volume de l'objet.Ceux-ci auront une incidence sur la distance de détection en conséquence.
- Maison -> Produits -> Capacitif Détecteur de proximité : DIM-3016 / 3025
- Maison -> Produits -> Capteur de niveau de liquide : DCP-13
- Maison -> Produits -> Détecteurs de proximité capacitifs : DIM-5502
- Maison -> Produits -> Capteur de proximité capacitif : DIM-07
- Maison -> Produits -> Capteur de niveau d'eau : P100
- Maison -> Produits -> Capteur de fuite d'eau : EX-100
















