專門製造,供應和出口水位傳感器,工廠位於Taiwan。客戶的滿意度由產品的質量和我們的承諾決定。我們一向專注於製造高品質產品,按時交貨並提供優質的售後服務。我們具有創新精神,配備最先進的生產檢測設備來製造各類產品。歡迎來自全球的批發商,分銷商,採購商,代理商和產品OEM/ODM來函來電垂詢。

水位傳感器

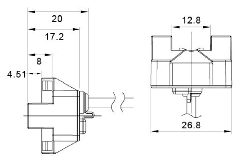
產品規格:
1。感應距離: 6~13毫米,管厚度1mm.管材料:PEP,PFA。
2。工作電壓:12~24VDC(±10%的)5%(p-P)MAX。波紋
3。響應頻率:600赫茲
4。負載電流:DC 30V 200mA最大。
5。輸出指示燈:LED
6。消耗電流:80毫安最大。
7。防護等級:IP65
8。操作溫度。:-10~55℃
9。外殼材料:聚碳酸酯
10。連接電纜長度:1M
特點:
1。非常適於檢測液位
2。適合任何6-至13日-mm-直徑透明管
3。適合的最大壁厚為1毫米
4.1224 VDC電源電壓
5。易於安裝的領帶-包裝和橡膠管
6。IP65防護等級
採用了靈敏度選擇,內置-放大器和操作模式選擇.領帶-包裝和橡膠管,防止滑脫.適合任何6-至13日-毫米直徑的透明或半透明-透明管的壁厚為1毫米.內置-NPN輸出放大器節省空間和佈線工作.緊湊的尺寸的小型化設備的理想選擇.使用滑石粉-電纜是理想的設備用於製造
半導體
檢測液體,塑料,矽芯片,粉末...等...檢測到的距離密切配合的性格因素,如電離子(導電係數或非導電係數),水分含量,對象的體積隨.這些都會影響相應的檢測距離。
產品展示 產品列表
- 首頁 -> 產品展示 -> 電容式接近開關 : DIM-3016 / 3025
- 首頁 -> 產品展示 -> 液位傳感器 : DCP-13
- 首頁 -> 產品展示 -> 電容式接近開關 : DIM-5502
- 首頁 -> 產品展示 -> 電容式接近傳感器 : DIM-07
- 首頁 -> 產品展示 -> 水位傳感器 : P100
- 首頁 -> 產品展示 -> 水洩漏傳感器 : EX-100
我們的專業知識保證我們優質的
















