
Sensor de nível de água

Especificações:
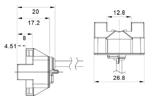
1.Distância de detecção: 6~13 milímetros, tubo de 1mm de espessura.Material do tubo:PEP, PFA.
2.Tensão de funcionamento:12~24VDC (±10%)5%(p-p) máx.ondulação
3.Resposta de freqüência:600 Hz.
4.Corrente de carga:DC 30V 200mA máx.
5.Indicador de saída:Diodo emissor de luz
6.Consumo atual:80mA máx.
7.Classe de Proteção:IP65
8.Temp da operação.:-10~55℃
9.Material da carcaça:Policarbonato
10.Conexão comprimento do cabo:1M
Característica:
1.Ideal para a detecção de níveis de líquidos
2.Adequado para qualquer 6-a 13-mm-diâmetro do tubo transparente
3.Apropriado para uma espessura máxima da parede de 1 mm,
4.12a tensão de 24 VCC
5.Fácil de instalar empate-envoltório e tubo de borracha
6.IP65 classificação gabinete
Incorpora um seletor de sensibilidade, construído-no amplificador, e seletor de modo de operação.Amarrar-envoltório e tubo de borracha fornecido para evitar derrapagem.Adequado para qualquer 6-a 13-mm de diâmetro transparente ou semi-tubo transparente, com uma espessura de parede de 1 mm,.Construído-amplificador com saída NPN poupa esforço espaço e fiação.O tamanho compacto é ideal para a miniaturização de equipamento.Usa um talco-cabo livre que é ideal para os equipamentos utilizados para a fabricação de
semicondutores
Detectar líquido, plástico, pedaços de silicone, pó...etc...A distância detectada variou ao longo de perto com a propriedade de fatores, tais como o íon elétrico (coeficiente de condutor elétrico ou coeficiente condutor não elétrica), teor de umidade, o volume do objeto.Estes irão afetar a distância de detecção de acordo.
- Início -> Produtos -> Interruptor de proximidade capacitivo : DIM-3016 / 3025
- Início -> Produtos -> Sensor de Nível de Líquido : DCP-13
- Início -> Produtos -> Interruptores de proximidade capacitivo : DIM-5502
- Início -> Produtos -> Sensor de proximidade capacitivo : DIM-07
- Início -> Produtos -> Sensor de nível de água : P100
- Início -> Produtos -> Sensor de vazamento de água : EX-100
















