DiWi Enterprise Co.,Ltd एक तकनीकी Taiwan स्तर स्विच फ्लोट निर्माता, कारखाने, सप्लायर और निर्यातक. 'ग्राहक की संतुष्टि गुणवत्ता और प्रतिबद्धता शामिल है. यह हमेशा हमारे लिए सबसे अच्छा उत्पादों का निर्माण ध्यान केंद्रित किया गया है और उन्हें कार्यक्रम के अनुसार वितरित.हमारे नवीन भावना हमारे प्रतिस्पर्धियों से आगे जाने के लिए सबसे उन्नत परीक्षण सुविधाओं से सुसज्जित सक्षम बनाता है. वैश्विक थोक व्यापारी, वितरकों, खरीददारों, एजेंटों और OEM / ODM स्वागत है से पूछताछ.

स्तर स्विच फ्लोट

1.पावर स्विचिंग:70W
2.स्विचिंग Vlots:150 ग्राम रक्षा समिति
3.वर्तमान स्विचिंग:0.5एम्प
4.अधिकतम.दबाव:4 किलो/cm²
5.S.G फ्लोट: 0.6 g/cm³
6.तापमान रेंज:-10~85°C
7.सामग्री:एबीएस
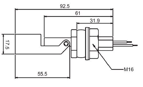
8.कनेक्शन धागा:M16
एक कॉम्पैक्ट, क्षैतिज बढ़ फ्लोट स्विच एक सामान्य रूप के रूप में विन्यस्त किया जा सकता है-खुले या सामान्य रूप से-बस 180 के माध्यम से यह घूर्णन से स्विच बंद कर दिया°बढ़ते इसकी पुश फिट में.जल स्तर नाव, नाव चलता रहता है और एक आंतरिक चुंबक पहुँचता है डिवाइस में एक मोहरबंद ईख रिले को सक्रिय.सेंसर पूर्व आपूर्ति की है-उड़ान उत्पादन होता है के साथ वायर्ड.
विशिष्ट अनुप्रयोग
1.उच्च रासायनिक या कम स्तर
2.खाना पकाने के तेल
3.ईंधन कम स्तर
4.अल्कोहल
5.मंदी स्तर
6.एक्वैरियम
एक नाव स्विच एक टंकी के भीतर तरल के स्तर भावना के लिए किया युक्ति है.स्विच एक पंप, एक संकेतक, एक अलार्म, या अन्य डिवाइस उकसाना सकता.हीड्रोपोनिक्स के साथ उन का उपयोग करें, खारे पानी की टंकी, मीठे पानी के टैंक, बागवानी, बिजली सिर नियंत्रण के लिए एक्वैरियम, पालतू कटोरे, मछली टैंक, निस्पंदन, हीटिंग, पंप, तालाबों, तहखाने अलार्म, नावों, हवाई हालत नाली धूपदान, दबाव वाशर, कालीन, मच सफाईचट्टान मछलीघर, तरल पदार्थ नियंत्रण, बर्फ मशीन, कॉफी बर्तन, समुद्री, मोटर वाहन, मोटर वाहन, उष्णकटिबंधीय मछली टैंक, बाष्पीकरण कॉयल, संक्षेपण लाइन रिले में, या जो कुछ भी अपनी परियोजना में हो सकता है.यह आसानी से सामान्य रूप से inverting के नाव से बंद करने के लिए सामान्य रूप से खुले से बदला जा सकता है.
अब पूछताछ +अब पूछताछ -
उत्पादों सूची
- घर -> उत्पादों -> केबल फ्लोट स्विच : FS Series
- घर -> उत्पादों -> केबल फ्लोट स्तर स्विच : DF Series
- घर -> उत्पादों -> स्टेनलेस स्टील फ्लोट स्विच : D-HYZ-47
- घर -> उत्पादों -> स्टेनलेस स्टील फ्लोट स्विच : D-HYZS-47
- घर -> उत्पादों -> मिनी फ्लोट स्तर स्विच : D-HYZT-47
- घर -> उत्पादों -> मिनी फ्लोट स्तर स्विच : D-LS-85
- घर -> उत्पादों -> स्तर स्विच फ्लोट : D-YZ-5
- घर -> उत्पादों -> स्तर स्विच फ्लोट : D-S1A28
- घर -> उत्पादों -> टाइप स्तर स्विच फ्लोट : D-S2A28
- घर -> उत्पादों -> टाइप स्तर स्विच फ्लोट : D-YZP-38
- घर -> उत्पादों -> फ्लोटिंग स्तर स्विच : D-YZP-86
- घर -> उत्पादों -> लघु फ्लोट स्विच : D-YZP-95
- घर -> उत्पादों -> गेंद फ्लोट वाल्व : PFV-100
- घर -> उत्पादों -> प्लास्टिक फ्लोट वाल्व : PFV-200
- घर -> उत्पादों -> मैकेनिकल फ्लोट वाल्व : Mechanical Float Valve
- घर -> उत्पादों -> जल फ्लोट वाल्व : DFV-06S
- घर -> उत्पादों -> जल स्तर फ्लोट वाल्व : DFV-06L
हमारी विशेषज्ञता ने हमें उच्च स्तर को सुनिश्चित करने के लिए सक्षम
















