เราเป็นทางด้านเทคนิค Taiwan ลอยเปลี่ยนระดับ ผู้ผลิตโรงงานผู้ผลิตและส่งออก ทั้งนี้ขึ้นอยู่กับการลงทุนที่มั่นคงความสามารถที่เหนือกว่าและบริการหลังการขายที่ดีเราได้ทำให้เราเป็นหนึ่งในผู้ผลิตชั้นนำและส่งออกในอุตสาหกรรม เราสัญญาว่าผลิตภัณฑ์ที่มีคุณภาพและราคาที่แข่งขันและการส่งมอบตรงเวลาสำหรับคุณ เราได้รับการจัดตั้งธุรกิจในระยะยาวกับลูกค้าของเรา หากคุณสนใจในรูปแบบของผลิตภัณฑ์ของเราใด ๆ โปรดเป็นอิสระในการ ติดต่อเรา.

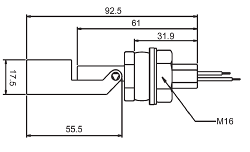
ลอยเปลี่ยนระดับ

1การเปลี่ยนพลังงาน:70W
2Vlots Switching:150 VDC
3สลับเปลี่ยน:0.5แอมป์
4แม็กซ์.ความดัน:4 กิโลกรัม/cm²
5ลอย S.G: 0.6 g/cm³
6ขอบเขตอุณหภูมิ:-10~85°C
7วัสดุ:ABS
8หัวข้อการเชื่อมต่อ:M16
ขนาดกระทัดรัดสวิทช์ลอยแนวตั้งสามารถกำหนดค่าเป็นปกติ-เปิดหรือปกติ-ปิดสวิทช์ได้ง่ายๆโดยการหมุนมันผ่าน 180°ในการผลักดันที่เหมาะสมของการติดตั้ง.เมื่อระดับน้ำถึงลอยย้ายลอยและแม่เหล็กภายในป็ถ่ายทอดกกปิดผนึกอยู่ในอุปกรณ์.เซ็นเซอร์จะจัดมาก่อน-มีสายการบินที่มีนำไปสู่การส่งออก
ใช้งานทั่วไป
1เคมีสูงหรือระดับต่ำ
2น้ำมันปรุงอาหาร
3น้ำมันเชื้อเพลิงในระดับต่ำ
4แอลกอฮอล์
5ระดับตกต่ำ
6พิพิธภัณฑ์สัตว์น้ำ
สวิทช์ลอยเป็นอุปกรณ์ที่ใช้รู้สึกถึงระดับของของเหลวภายในถัง.สวิทช์อาจปลุกเร้าปั๊ม, บ่งชี้, ปลุก, หรืออุปกรณ์อื่น ๆ.ใช้พวกเขาด้วยการปลูกพืชไร้ดิน, ถังน้ำเค็มถังน้ำจืดสวนพิพิธภัณฑ์สัตว์น้ำสำหรับการควบคุมหัวไฟ, ชามสัตว์เลี้ยงถังปลากรองความร้อนปั๊มบ่อเตือนภัยที่ชั้นใต้ดิน, เรือ, อากาศกระทะท่อระบายน้ำสภาพเครื่องซักผ้าความดัน, การทำความสะอาดพรมจักร,พิพิธภัณฑ์สัตว์น้ำในแนวปะการังการควบคุมของเหลว, เครื่องทำน้ำแข็ง, หม้อกาแฟ, ทะเล, รถยนต์, รถยนต์, รถถังปลาเขตร้อนขดลวดระเหยสายการควบแน่นในรีเลย์หรือสิ่งที่โครงการของคุณอาจจะเป็น.มันสามารถแปลงได้อย่างง่ายดายจากปกติเปิดปิดปกติไปโดยลอยกลับหัว
สอบถามข้อมูลในตอนนี้ +สอบถามข้อมูลในตอนนี้ -
ผลิตภัณฑ์ รายการ
- บ้าน -> ผลิตภัณฑ์ -> สวิทช์โฟเคเบิ้ล : FS Series
- บ้าน -> ผลิตภัณฑ์ -> เคเบิ้ลสวิทช์ระดับลอย : DF Series
- บ้าน -> ผลิตภัณฑ์ -> สแตนเลสสตีลสวิทช์ลอย : D-HYZ-47
- บ้าน -> ผลิตภัณฑ์ -> สวิทช์ลอยสแตนเลส : D-HYZS-47
- บ้าน -> ผลิตภัณฑ์ -> โฟมินิสวิทช์ระดับ : D-HYZT-47
- บ้าน -> ผลิตภัณฑ์ -> สวิทช์ระดับลอยมินิ : D-LS-85
- บ้าน -> ผลิตภัณฑ์ -> ลอยเปลี่ยนระดับ : D-YZ-5
- บ้าน -> ผลิตภัณฑ์ -> สวิทช์ระดับลอย : D-S1A28
- บ้าน -> ผลิตภัณฑ์ -> ลอยเปลี่ยนระดับประเภท : D-S2A28
- บ้าน -> ผลิตภัณฑ์ -> ลอยสวิทช์ระดับประเภท : D-YZP-38
- บ้าน -> ผลิตภัณฑ์ -> สวิทช์ระดับลอย : D-YZP-86
- บ้าน -> ผลิตภัณฑ์ -> สวิทช์ลอยขนาดเล็ก : D-YZP-95
- บ้าน -> ผลิตภัณฑ์ -> วาล์วลูกบอลลอย : PFV-100
- บ้าน -> ผลิตภัณฑ์ -> วาล์วลอยพลาสติก : PFV-200
- บ้าน -> ผลิตภัณฑ์ -> วาล์วลอยเครื่องกล : Mechanical Float Valve
- บ้าน -> ผลิตภัณฑ์ -> วาล์วลอยน้ำ : DFV-06S
- บ้าน -> ผลิตภัณฑ์ -> น้ำวาล์วลอยระดับ : DFV-06L
ความเชี่ยวชาญของเราได้ช่วยให้เราเพื่อให้แน่ใจว่าดีที่สุด
















