
Поплавковый переключатель

1.Импульсный источник:70W
2.Переключение Vlots:150 В постоянного тока
3.Коммутируемый ток:0,5Ампер
4.Макс.Давление:4 кг/cm²
5.Поплавок S.G: 0,6 g/cm³
6.Диапазон температур:-10~85°C
7.Материал:ABS
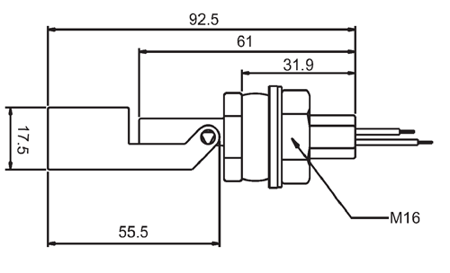
8.Резьбой:M16
Компактный, горизонтально поплавковый выключатель может быть сконфигурирован как правило-открытый или нормально-замкнутый переключатель простым поворотом на 180°в свою плотную посадку монтажа.Когда уровень воды достигает поплавка, поплавок и внутреннего магнита активирует герметичной геркона в устройстве.Датчик поставляется предварительно-проводной со свободными выводами выход.
Типичные области применения
1.Химическая высокого или низкого уровня
2.Растительное масло
3.Топливо низкого уровня
4.Спирты
5.Спад уровня
6.аквариумах
Поплавкового выключателя представляет собой устройство используется для замера уровня жидкости в резервуаре.Переключатель может приводить в действие насос, индикатор, сигнал тревоги или другое устройство.Используйте их с гидропоники, морской танк, пресноводный резервуар, садоводство, аквариумы для управления мощностью голову, миски для животных, аквариумы, фильтрация, отопление, насосы, пруды, подвал сигнализации, суда на воздушной кастрюли состояние канализации, мойки высокого давления, чистка ковров Мах,Риф аквариум, контроль жидкости, машины для изготовления льда, кофейники, морской, автомобильный, автомобилей, танков тропических рыб, испарители, конденсация линии, в реле, или что ваш проект может быть.Он может быть легко преобразован с нормально разомкнутого на нормально замкнутое путем обращения поплавка.
- Главная страница -> Продукция -> Кабель выключателя Float : FS Series
- Главная страница -> Продукция -> Кабельный Float сигнализатор уровня : DF Series
- Главная страница -> Продукция -> Нержавеющей стали Поплавковый выключатель : D-HYZ-47
- Главная страница -> Продукция -> Нержавеющая сталь поплавковые переключатели : D-HYZS-47
- Главная страница -> Продукция -> Мини реле уровня Float : D-HYZT-47
- Главная страница -> Продукция -> Мини сигнализаторы уровня Float : D-LS-85
- Главная страница -> Продукция -> Поплавковый переключатель : D-YZ-5
- Главная страница -> Продукция -> ПОПЛАВКОВЫЕ Коммутаторы : D-S1A28
- Главная страница -> Продукция -> Поплавковым выключателем Тип Уровень : D-S2A28
- Главная страница -> Продукция -> Поплавкового выключателя типа Уровень : D-YZP-38
- Главная страница -> Продукция -> Плавающие сигнализатор уровня : D-YZP-86
- Главная страница -> Продукция -> Малый поплавковый выключатель : D-YZP-95
- Главная страница -> Продукция -> Клапан с шаровым поплавком : PFV-100
- Главная страница -> Продукция -> Пластиковые поплавковым клапаном : PFV-200
- Главная страница -> Продукция -> Механические поплавковым клапаном : Mechanical Float Valve
- Главная страница -> Продукция -> Водяной клапан Float : DFV-06S
- Главная страница -> Продукция -> Уровень воды поплавковый клапан : DFV-06L
















