專門製造,供應和出口浮球液位開關,工廠位於Taiwan。客戶的滿意度由產品的質量和我們的承諾決定。我們一向專注於製造高品質產品,按時交貨並提供優質的售後服務。我們具有創新精神,配備最先進的生產檢測設備來製造各類產品。歡迎來自全球的批發商,分銷商,採購商,代理商和產品OEM/ODM來函來電垂詢。

浮球液位開關

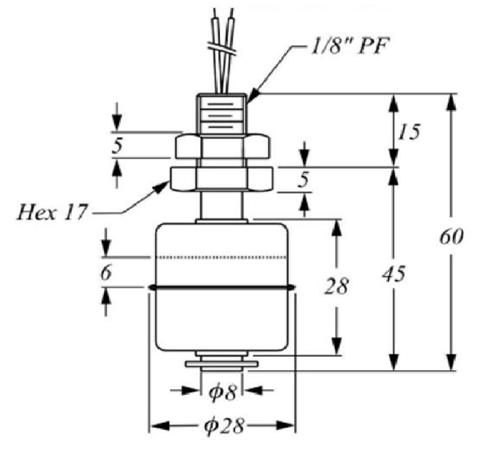
1。開關電源:70W
2。開關Vlots:240VAC/200VDC
3。開關電流:0.7放大器
4。最大.壓力:10千克/cm²
5。浮法S.G: 0.75 g/cm³
6。溫度範圍:-20~120°C
7。浮球尺寸: ø28×28×ø8毫米
8。材料:SUS304或SUS316L
9。連接螺紋: 1/8“PF(定制)
10。垂直安裝
特點:
1。重量輕,工作原理很簡單,可靠和廉價
2。提供PP,PVDF,尼龍等塑料材料,可耐酸
3。電線與電線或電纜,材料是聚氯乙烯,交聯聚乙烯,聚四氟乙烯
4。特殊規格也可以定制,體積小,原理簡單,適用於飲用水,食品機械,空油壓機,電子,印刷和印染行業
立式不銹鋼浮球開關液位控制是一種結構簡單,安裝方便的液位控制器.沒有複雜的電路,不會受到干擾,只要材料的選擇是正確的,在任何環境下,液體,可以使用壓力或溫度。
請按照被測物體的溫度,壓力,比重,耐酸鹼等特性。
1。溫度:聚偏氟乙烯的最大溫度為100℃,PP到第80℃,SUS304/316到125℃.
2。附著:小型浮球在一個大的比例,應使用球克服表面張力的液體。
3。阻力:塑料材質適用於酸-鹼位,如果溫度的選擇應考慮到聚偏氟乙烯。
4。油:如果使用的金屬材料。
5。比重:浮重力SG必須小於被測液體或持股量將不會飄起來。
產品展示 產品列表
- 首頁 -> 產品展示 -> 電纜浮球開關 : FS Series
- 首頁 -> 產品展示 -> 電纜浮球液位開關 : DF Series
- 首頁 -> 產品展示 -> 不銹鋼浮球開關 : D-HYZ-47
- 首頁 -> 產品展示 -> 不銹鋼浮球開關 : D-HYZS-47
- 首頁 -> 產品展示 -> 小型浮球液位開關 : D-HYZT-47
- 首頁 -> 產品展示 -> 小型浮球液位開關 : D-LS-85
- 首頁 -> 產品展示 -> 浮球液位開關 : D-YZ-5
- 首頁 -> 產品展示 -> 浮球液位開關 : D-S1A28
- 首頁 -> 產品展示 -> 浮球式液位開關 : D-S2A28
- 首頁 -> 產品展示 -> 浮球式液位開關 : D-YZP-38
- 首頁 -> 產品展示 -> 浮球開關 : D-YZP-86
- 首頁 -> 產品展示 -> 小浮球開關 : D-YZP-95
- 首頁 -> 產品展示 -> 浮球閥 : PFV-100
- 首頁 -> 產品展示 -> 塑料浮球閥 : PFV-200
- 首頁 -> 產品展示 -> 機械浮球閥 : Mechanical Float Valve
- 首頁 -> 產品展示 -> 水浮球閥 : DFV-06S
- 首頁 -> 產品展示 -> 水位浮球閥 : DFV-06L
我們的專業知識保證我們優質的
















