DiWi Enterprise Co.,Ltd специализируется в производстве, поставке и экспорте ПОПЛАВКОВЫЕ Коммутаторы, с фабрикой в Taiwan. Удовлетворение клиентов состоит из качества и обязательства. Мы посвящаем свои силы на разработку высококачественный продукты обеспечиваем своевременную доставку и внимательные послепродажные обслуживания.Наш новаторский дух позволяет нам продвигаться вперед наших конкурентов путем предоставления широкого диапазона продукты. Приветствуем запросы от глобальных оптовиков, дистрибьюторов, покупателей, агентов и OEM/ODM.

ПОПЛАВКОВЫЕ Коммутаторы

1.Импульсный источник:70W
2.Переключение Vlots:240VAC/200VDC
3.Коммутируемый ток:0,7Ампер
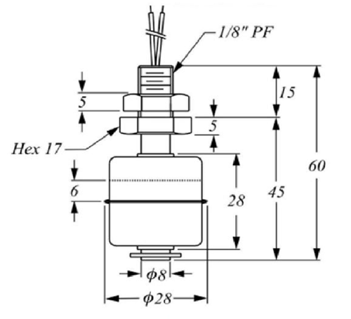
4.Макс.Давление:10 кг/cm²
5.Поплавок S.G: 0,75 g/cm³
6.Диапазон температур:-20~120°C
7.Размера поплавка: Ø28 х 28 хØ8 мм
8.Материал:SUS304 или SUS316L
9.Резьбой: 1/8 "PF (настроить)
10.Вертикально установленными
Особенность:
1.Легкий, принцип работы простой, надежный и недорогой
2.Обеспечение ПП, ПВДФ, нейлон и другие пластмассовые материалы могут быть кислоты
3.Провод с провода или кабеля, материалы из ПВХ, из сшитого полиэтилена, ПТФЭ
4.Специальные характеристики могут быть настроены, небольшие размеры, просты в принципе, пригодна для питья, пищевого оборудования, воздушных гидравлических машин, электроники, индустрии печатания и красить
Вертикальная нержавеющей стали поплавковым выключателем уровня жидкости контроль простота конструкции, легкость установки регулятора уровня.Это не сложно цепи, не будет нарушена, если выбор материала является правильным, в любой среде, жидкость, давление или температура могут быть использованы.
Следуйте измеренная температура объекта, давления, тяжести, кислоты и другие характеристики.
1.Температура:PVDF максимальной температуре 100℃, ПП до 80℃, SUS304/316 до 125℃.
2.Адгезия:мяч должен быть использован в большой части небольшой поплавок, чтобы преодолеть поверхностное натяжение жидкости.
3.Сопротивление:пластиковый материал, пригодный для кислоту-база сайтов, если температура должна быть выбрана учетом PVDF.
4.Масло:Если использование металлических материалов.
5.Удельный вес:плавать тяжести SG должно быть меньше измеряемой жидкости или поплавок не будет всплывать.
Дознание теперь +Дознание теперь -
Продукция список
- Главная страница -> Продукция -> Кабель выключателя Float : FS Series
- Главная страница -> Продукция -> Кабельный Float сигнализатор уровня : DF Series
- Главная страница -> Продукция -> Нержавеющей стали Поплавковый выключатель : D-HYZ-47
- Главная страница -> Продукция -> Нержавеющая сталь поплавковые переключатели : D-HYZS-47
- Главная страница -> Продукция -> Мини реле уровня Float : D-HYZT-47
- Главная страница -> Продукция -> Мини сигнализаторы уровня Float : D-LS-85
- Главная страница -> Продукция -> Поплавковый переключатель : D-YZ-5
- Главная страница -> Продукция -> ПОПЛАВКОВЫЕ Коммутаторы : D-S1A28
- Главная страница -> Продукция -> Поплавковым выключателем Тип Уровень : D-S2A28
- Главная страница -> Продукция -> Поплавкового выключателя типа Уровень : D-YZP-38
- Главная страница -> Продукция -> Плавающие сигнализатор уровня : D-YZP-86
- Главная страница -> Продукция -> Малый поплавковый выключатель : D-YZP-95
- Главная страница -> Продукция -> Клапан с шаровым поплавком : PFV-100
- Главная страница -> Продукция -> Пластиковые поплавковым клапаном : PFV-200
- Главная страница -> Продукция -> Механические поплавковым клапаном : Mechanical Float Valve
- Главная страница -> Продукция -> Водяной клапан Float : DFV-06S
- Главная страница -> Продукция -> Уровень воды поплавковый клапан : DFV-06L
Наш опыт дает нам возможность гарантировать высокий класс
















