Chúng tôi là một kỹ thuật Taiwan Nổi tắc Cấp nhà sản xuất, nhà máy, nhà cung cấp và xuất khẩu. Tùy thuộc vào đầu tư ổn định, thẩm quyền cao và dịch vụ sau bán hàng tốt, chúng tôi đã làm cho chúng tôi là một trong những nhà sản xuất và xuất khẩu hàng đầu trong ngành công nghiệp. Chúng tôi hứa sản phẩm chất lượng và giá cả cạnh tranh và giao hàng đúng thời gian cho bạn. Chúng tôi đã thiết lập kinh doanh lâu dài với khách hàng của chúng tôi. Nếu bạn quan tâm trong bất kỳ mô hình của các sản phẩm của chúng tôi, xin vui lòng được tự do liên hệ với chúng tôi.

Nổi tắc Cấp

1.Power:70W
2.Vlots chuyển đổi:240VAC/200VDC
3.Chuyển đổi hiện tại:0.7Amp
4.Tối đa.Áp lực:10 kg/cm²
5.Nổi S.G: 0,75 g/cm³
6.Phạm vi nhiệt độ:-20~120°C
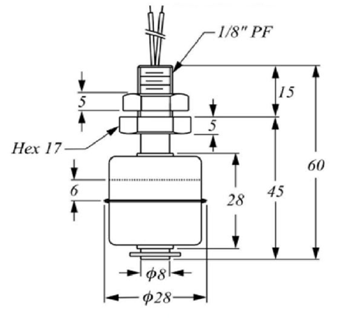
7.Kích nổi: ø28 x 28 xø8 mm
8.Tài liệu:SUS304 hoặc SUS316L
9.Kết nối chủ đề: 1/8 "PF (tùy chỉnh)
10.Dọc gắn kết
Tính năng:
1.Trọng lượng nhẹ, nguyên tắc làm việc rất đơn giản, đáng tin cậy và không tốn kém
2.Cung cấp PP, PVDF, Nylon, và các vật liệu nhựa khác có thể là axit
3.Dây với dây hoặc cáp, vật liệu nhựa PVC, XLPE, PTFE
4.Kỹ thuật đặc biệt cũng có thể được tùy chỉnh, kích thước nhỏ, đơn giản về nguyên tắc, thích hợp để uống, máy móc thực phẩm, máy thủy lực không khí, điện tử, in ấn và ngành công nghiệp nhuộm
Thép nổi tắc điều khiển mức chất lỏng không gỉ thẳng đứng là một cấu trúc đơn giản, dễ dàng lắp đặt bộ điều khiển mức.Nó không phải là phức tạp mạch, không bị quấy rầy, miễn là các nguyên vật liệu là chính xác, trong bất kỳ môi trường, chất lỏng, áp suất hoặc nhiệt độ có thể được sử dụng.
Hãy làm theo các đối tượng đo nhiệt độ, áp suất, trọng lực, axit và các đặc tính khác.
1.Nhiệt độ:PVDF nhiệt độ tối đa của 100℃, PP tới 80℃, SUS304/316 đến 125℃.
2.Độ bám dính cao:bóng nên được sử dụng trong một tỷ lệ lớn của phao nhỏ để vượt qua sức căng bề mặt của chất lỏng.
3.Cuộc kháng chiến:vật liệu nhựa phù hợp với axit-các trang web cơ bản, nếu nhiệt độ nên được lựa chọn xem xét PVDF.
4.Dầu:Nên việc sử dụng các vật liệu kim loại.
5.Trọng lượng riêng:nổi trọng lực SG phải nhỏ hơn chất lỏng đo hoặc các phao sẽ không nổi lên.
Yêu cầu Bây giờ +Yêu cầu Bây giờ -
Sản phẩm Danh sách
- Trang chủ -> Sản phẩm -> Chuyển đổi nổi cáp : FS Series
- Trang chủ -> Sản phẩm -> Cáp Float Level Switch : DF Series
- Trang chủ -> Sản phẩm -> Thép không gỉ nổi Chuyển : D-HYZ-47
- Trang chủ -> Sản phẩm -> Thiết bị chuyển mạch phao thép không gỉ : D-HYZS-47
- Trang chủ -> Sản phẩm -> Thống chuyển đổi mức độ nổi : D-HYZT-47
- Trang chủ -> Sản phẩm -> Thống nổi tắc Cấp : D-LS-85
- Trang chủ -> Sản phẩm -> Nổi Level Switch : D-YZ-5
- Trang chủ -> Sản phẩm -> Nổi tắc Cấp : D-S1A28
- Trang chủ -> Sản phẩm -> Nổi Loại Level Switch : D-S2A28
- Trang chủ -> Sản phẩm -> Nổi tắc Cấp Loại : D-YZP-38
- Trang chủ -> Sản phẩm -> Nổi Level Switch : D-YZP-86
- Trang chủ -> Sản phẩm -> Chuyển nổi nhỏ : D-YZP-95
- Trang chủ -> Sản phẩm -> Bóng nổi Van : PFV-100
- Trang chủ -> Sản phẩm -> Van phao nhựa : PFV-200
- Trang chủ -> Sản phẩm -> Cơ Van phao : Mechanical Float Valve
- Trang chủ -> Sản phẩm -> Van phao nước : DFV-06S
- Trang chủ -> Sản phẩm -> Cấp nước nổi Van : DFV-06L
Chuyên môn của chúng tôi đã cho phép chúng tôi để đảm bảo tốt nhất
















