
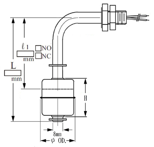
Liquid Level Float Switch

Specifications:
1. Switching Volts: 250 VAC
2. Switching Current: 0.7A
3. Contact : NO / NC
5. Lead Wire :30mm PVC, PVDF
6. Temperature Range: 120°C SUS
7.. Body Material: SUS304
8. Connection : Thread 1/8" PF, 3/8" PF, M10X15, M10X1.0
9. Float Size: 28X28X9.5
Magnetic Float Level Switches are available with bulkhead, male thread, male pipe plug or flange mounting. These switches may be mounted with the stem at up to a 30° angle from the vertical position.
Use these switches if you need to vary the detection level over time or wish to maintain the level of a liquid to within an inch or so. Multi-level sensors also can be used to overcome slosh issues. For more information or contact us to discuss your application.
Magnetic float travels up and down the stem between float stops actuating or de-actuating a dry contact reed switch encapsulated inside the stem. When the magnetic field comes in close proximity to the reed switch, the contact closes. Switch operation is determined in a dry condition with the installation fitting up and the float at rest against the lower float stop.
- Home -> Products -> Electrode Level Switch : DE Series
- Home -> Products -> Electrode Type Level Switch : HM Series
- Home -> Products -> Liquid Level Switches : MF Series
- Home -> Products -> Liquid Level Float Switch : PL
- Home -> Products -> Magnetic Level Switches : PS
- Home -> Products -> Terminal Head : Alloy Aluminum
- Home -> Products -> Terminal Heads : Aluminum Alloy D2G4
- Home -> Products -> Thermocouple Head : SUS316 D2G4
- Home -> Products -> Junction Box : Junction Box- Aluminum Alloy EX-proof
















