
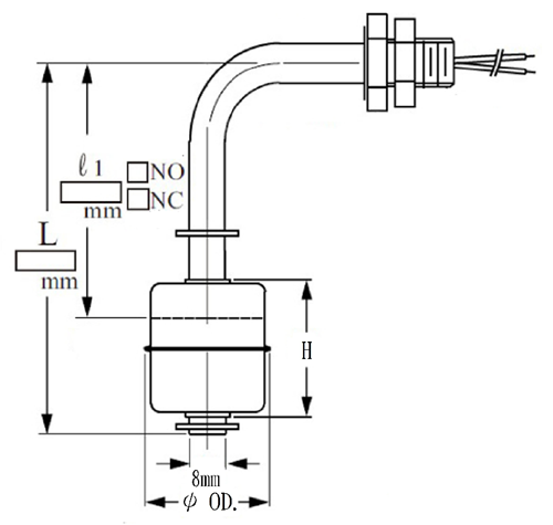
สวิทช์ระดับของเหลวลอย

ข้อมูลจำเพาะ:
1โวลต์ Switching:250 VAC
2สลับเปลี่ยน: 0.7A
3ติดต่อ:NO/อร์ทแคโรไลนา
5นำลวด:30mm PVC, PVDF
6ขอบเขตอุณหภูมิ:120°สแตนเลส C
7.วัสดุของตัวเครื่อง:SUS304
8สัมพันธ์:1 กระทู้/8 "PF, 3/8 "PF, M10X15, M10X1.0
9ลอยขนาด:28X28X9.5
สวิทช์ระดับลอยแม่เหล็กที่สามารถใช้ได้กับกำแพงกั้น, ด้าย, ชายเสียบท่อชายหรือหน้าแปลนการติดตั้ง.สวิทช์เหล่านี้อาจจะติดกับลำต้นที่สูงถึง 30°มุมจากตำแหน่งแนวตั้ง
ใช้สวิทช์เหล่านี้ถ้าคุณต้องการที่จะแตกต่างกันไปในระดับการตรวจสอบในช่วงเวลาหรือต้องการที่จะรักษาระดับของของเหลวภายในหรือเพื่อให้นิ้ว.มีหลาย-เซ็นเซอร์ระดับนอกจากนี้ยังสามารถใช้ในการเอาชนะปัญหาโคลน.สำหรับข้อมูลเพิ่มเติมหรือติดต่อเราเพื่อหารือเกี่ยวกับใบสมัครของคุณ
ลอยแม่เหล็กเดินทางขึ้นและลงระหว่างลำต้นลอยหยุด actuating หรือ-actuating สัมผัสสวิทช์แห้งกกห่อหุ้มภายในลำต้น.เมื่อสนามแม่เหล็กมาในบริเวณใกล้เคียงกับสวิทช์กกติดต่อปิด.การดำเนินงานของสวิทช์จะถูกกำหนดให้อยู่ในสภาพแห้งด้วยการติดตั้งที่เหมาะสมขึ้นและลอยที่เหลือกับหยุดลอยต่ำ
- บ้าน -> ผลิตภัณฑ์ -> สวิทช์ระดับไฟฟ้า : DE Series
- บ้าน -> ผลิตภัณฑ์ -> อิเลคโทรสวิทช์ระดับประเภท : HM Series
- บ้าน -> ผลิตภัณฑ์ -> สวิทช์ระดับของเหลว : MF Series
- บ้าน -> ผลิตภัณฑ์ -> สวิทช์ระดับของเหลวลอย : PL
- บ้าน -> ผลิตภัณฑ์ -> สวิทช์ระดับแม่เหล็ก : PS
- บ้าน -> ผลิตภัณฑ์ -> หัวหน้าสถานี : Alloy Aluminum
- บ้าน -> ผลิตภัณฑ์ -> หัวหน้าสถานี : Aluminum Alloy D2G4
- บ้าน -> ผลิตภัณฑ์ -> หัวหน้า Thermocouple : SUS316 D2G4
- บ้าน -> ผลิตภัณฑ์ -> กล่องแยก : Junction Box- Aluminum Alloy EX-proof
















