
Sıvı Seviye Şamandıra Anahtarı

Özellikler:
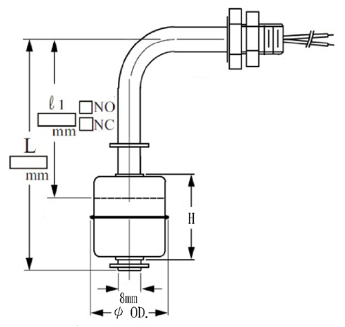
1.Anahtarlama Volt:VAC 250
2.Anahtarlama Akımı: 0.7A
3.Temas:NO/NC
5.Tel Kurşun:30mm PVC, PVDF
6.Sıcaklık Aralığı:120°C SUS
7..Gövde Malzemesi:SUS304
8.Bağlantı:Konu 1/8 "PF, 3/8 "PF, M10X15, M10X1.0
9.Boyutu Float:28X28X9.5
Manyetik Float Seviye Anahtarları bölme, dişli, erkek boru fiş veya montaj flanşı mevcuttur.Bu anahtarlar bir 30 de kök ile monte edilebilir°yatay konumdan dikey konuma açısı.
Eğer bir inç içinde ya da öylesine bir sıvı seviyesini korumak için zaman içinde algılama seviyesi değişir veya dilemek gerekiyorsa bu anahtarları kullanın.Çok-seviye sensörleri de slosh sorunları aşmak için kullanılabilir.Daha fazla bilgi için veya uygulama görüşmek için bize ulaşın.
Manyetik şamandıra tahrik veya de durur şamandıra arasındaki kök aşağı yukarı hareket eder ve-kök içinde kapsüllü bir kuru kontak kamış anahtarını harekete.Manyetik alan manyetik anahtar yakın geldiğinde, kişi kapatır.Geçiş işlemi alt şamandıra durdurma karşı montaj kurulum ve istirahat şamandıra ile kuru bir durumda belirlenir.
- Ev -> Ürünler -> Elektrot Seviye Şalteri : DE Series
- Ev -> Ürünler -> Elektrot Tipi Seviye Şalteri : HM Series
- Ev -> Ürünler -> Sıvı Seviye Anahtarları : MF Series
- Ev -> Ürünler -> Sıvı Seviye Şamandıra Anahtarı : PL
- Ev -> Ürünler -> Manyetik Seviye Anahtarları : PS
- Ev -> Ürünler -> Terminal Başkanı : Alloy Aluminum
- Ev -> Ürünler -> Terminal Başkanları : Aluminum Alloy D2G4
- Ev -> Ürünler -> Termokupl Başkanı : SUS316 D2G4
- Ev -> Ürünler -> Buat : Junction Box- Aluminum Alloy EX-proof
















