
Vloeibare Niveau Vlotterschakelaar

Specificaties:
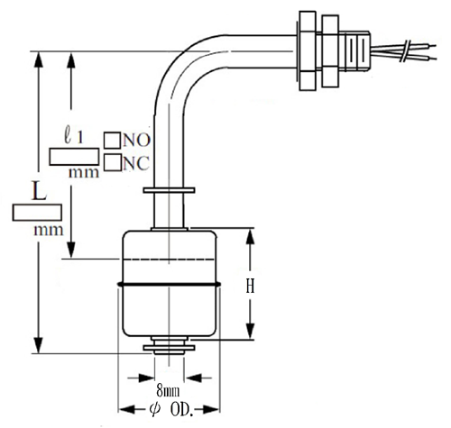
1.Schakelen Volt:250 VAC
2.Schakelstroom: 0.7A
3.Contact:NO/NC
5.Lead Wire:30mm PVC, PVDF
6.Temperatuurbereik:120°C SUS
7..Materiaal behuizing:SUS304
8.Aansluiting:Thread 1/8 "PF, 3/8 "PF, M10x15, M10X1.0
9.Float Size:28X28X9.5
Magnetische Niveau schakelaars zijn verkrijgbaar met scheidingswand, buitendraad, mannelijke pijpplug of flensbevestiging.Deze schakelaars kunnen worden bevestigd met de steel bij tot 30°hoek in verticale positie.
Gebruik deze schakelaars als u nodig hebt om de detectie niveau in de tijd variëren, of wilt u het niveau van een vloeistof te houden om binnen een centimeter of zo.Multi-niveau sensoren kunnen ook worden gebruikt om klotsen problemen te overwinnen.Voor meer informatie of neem contact met ons op om uw aanvraag te bespreken.
Magnetische vlotter reist op en neer de stengel tussen vlotter stopt bedieningselement of de-bedienen van een droog contact rietschakelaar ingekapseld in de steel.Wanneer het magneetveld komt dicht bij de reedschakelaar, sluit het contact.Schakelaar operatie wordt bepaald in een droge toestand met de installatie inrichten en de vlotter in rust tegen de onderste vlotter aanslag.
- Huis -> Producten -> Elektrode Level Switch : DE Series
- Huis -> Producten -> Elektrode Type Level Switch : HM Series
- Huis -> Producten -> Vloeibare Niveauschakelaars : MF Series
- Huis -> Producten -> Vloeibare Niveau Vlotterschakelaar : PL
- Huis -> Producten -> Magnetische Niveauschakelaars : PS
- Huis -> Producten -> Terminal Head : Alloy Aluminum
- Huis -> Producten -> Terminal Heads : Aluminum Alloy D2G4
- Huis -> Producten -> Thermokoppel Head : SUS316 D2G4
- Huis -> Producten -> Junction Box : Junction Box- Aluminum Alloy EX-proof
















