專門製造,供應和出口浮球液位開關,工廠位於Taiwan。客戶的滿意度由產品的質量和我們的承諾決定。我們一向專注於製造高品質產品,按時交貨並提供優質的售後服務。我們具有創新精神,配備最先進的生產檢測設備來製造各類產品。歡迎來自全球的批發商,分銷商,採購商,代理商和產品OEM/ODM來函來電垂詢。

浮球液位開關

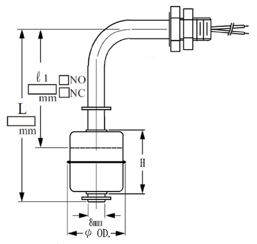
產品規格:
1。開關電壓:250 VAC
2。開關電流: 0.7A
3。聯繫:NO/NC
5。鉛絲:30mm的PVC,PVDF
6。溫度範圍:120°ÇSUS
7。。主體材料:SUS304
8。連接:主題1/8“PF,3/8“PF,M10X15,M10X1.0
9。浮球尺寸:28X28X9.5
艙壁,外螺紋,男管道堵塞或法蘭安裝有磁性浮子液位開關.這些開關可以與閥桿安裝最多30°從垂直位置的角度。
如果你需要不同的檢測水平隨著時間的推移,或希望保持液面在一英寸左右,使用這些開關.多-液位傳感器還可以用來克服晃動的問題.欲了解更多信息,或聯繫我們,討論您的應用程序。
磁性浮子向上和向下浮動之間的幹停止動作或取消-驅動幹觸點簧片開關封裝在幹.當磁場在靠近舌簧開關,觸點閉合.開關的操作來確定在乾燥條件下與安裝配件和浮子處於靜止狀態和下浮子停止。
產品展示 產品列表
- 首頁 -> 產品展示 -> 電極式液位開關 : DE Series
- 首頁 -> 產品展示 -> 電極式液位開關 : HM Series
- 首頁 -> 產品展示 -> 液位開關 : MF Series
- 首頁 -> 產品展示 -> 浮球液位開關 : PL
- 首頁 -> 產品展示 -> 磁翻柱液位開關 : PS
- 首頁 -> 產品展示 -> 終端頭 : Alloy Aluminum
- 首頁 -> 產品展示 -> 終端頭 : Aluminum Alloy D2G4
- 首頁 -> 產品展示 -> 熱電偶頭 : SUS316 D2G4
- 首頁 -> 產品展示 -> 接線盒 : Junction Box- Aluminum Alloy EX-proof
我們的專業知識保證我們優質的
















